Skip to main content
Purchase a selected eligible product and register to get +1 year extended warranty today!Learn More

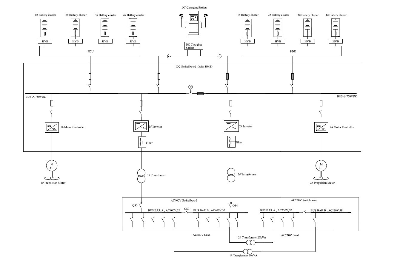
Zero Emissions Propulsion System

Zero Emission Marine Propulsion systems from ePropulsion
Battery
PV Solar Panels
Main DC Switchboard
Main Propulsion
Transformer
AC Switchboard
Bow Thruster
A pure electric system operates entirely on battery power, eliminating the need for traditional fuel-based engines. It uses high-capacity marine-grade lithium batteries to store and deliver power to the electric propulsion motor.

How It Works

Energy is stored in a battery bank. The battery powers the electric motor, driving the vessel and all other onboard systems.

Smart energy management systems optimise power usage for efficiency and full availability.

Charging can be done via shore power and onboard renewable energy sources.

By keeping all critical components motors, batteries, power electronics, software and regulatory compliance in-house, we deliver systems that are:

Customised:
Tailored to your vessel's unique specifications.

Reliable:
Designed for durability and operational efficiency.

Sustainable:
Built to minimise environmental impact and drive maritime decarbonisation.

Products

Motor
High-Performance Electric Motors for Reliable Propulsion
Energy Storage System
High-Capacity LFP Batteries for Sustainable Power
Propulsion Drive
Precision Control for Smooth and Efficient Operation
Energy Management System
Optimised Energy Control for Maximum Efficiency
DC Switchboard

Reliable Power Distribution for Maritime Applications

AC Switchboard
Stable and Secure AC Power Distribution
Charging & Shore Connection
Seamless Charging Solutions for Electric and Hybrid Vessels