Skip to main content
Purchase a selected eligible product and register to get +1 year extended warranty today!Learn More

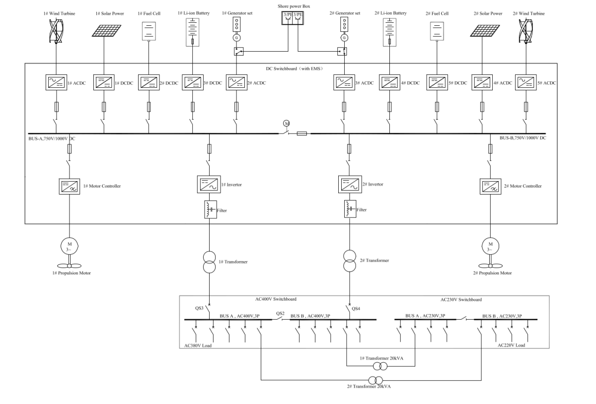
Hybrid DC System

Hybrid DC System - Electric Marine Propulsion systems from ePropulsion
Diesel Engine
Generator
Battery
Main DC Switchboard
Main Propulsion
Transformer
AC Switchboard
Bow Thruster

 A hybrid propulsion system using several diesel or gas generators as main power source, supplying power directly to the electric motors.

By adding batteries, the vessel gets increased functionality such as peak shaving or pure electric navigation for a certain time.

This system allows the vessel to operate as a traditional electric propulsion vessel or as pure electric vessel, or any combination in between.

How It Works

The generators produce AC electricity to power the electric motor directly.

The electric motors drive the propulsion system, providing efficient, smooth power delivery.

Excess energy can be managed through load balancing to optimize fuel efficiency in combination with the batteries.

The system can be designed with multiple generators for redundancy and increased power output.

The system can integrate renewable energy sources, such as solar panels or fuel cells, to further reduce fuel dependency.

Smart energy management ensures optimal power use, switching between batteries and generator as needed.

Customised:

Tailored to your vessel's unique specifications.

Reliable:

Designed for durability and operational efficiency.

Sustainable:

Built to minimise environmental impact and drive maritime decarbonisation.

Products

Motor
High-Performance Electric Motors for Reliable Propulsion
Energy Storage System
High-Capacity LFP Batteries for Sustainable Power
Propulsion Drive
Precision Control for Smooth and Efficient Operation
Energy Management System
Optimised Energy Control for Maximum Efficiency
DC Switchboard

Reliable Power Distribution for Maritime Applications

AC Switchboard
Stable and Secure AC Power Distribution
Charging & Shore Connection
Seamless Charging Solutions for Electric and Hybrid Vessels